• 开关量输入隔离器GT6541(二进二出)
  • 开关量输入隔离式隔离器,接收来自现场的 NAMUR 型开关信号或干接点信号
开关量输入隔离式隔离器,接收来自现场的 NAMUR 型开关信号或干接点信号,通过隔离器隔离传输到继电器输出,各通道可独立设置为输入和输出同相或反相控制,同时有输入线路故障检测报警指示功能。
分享到:
  • 产品详情
  • PRODUCT DETAILS
  • 开关量输入隔离式隔离器,接收来自现场的 NAMUR 型开关信号或干接点信号,通过隔离器隔离传输到继电器输出,各通道可独立设置为输入和输出同相或反相控制,同时有输入线路故障检测报警指示功能。

    产品特点

    l 采用PCB平面变压器

    l 性能稳定,转换精度高,低温漂

    l 12.5mm超薄设计,节省机柜空间

    l 低功耗设计,提高产品可靠性,延长使用寿命

    l 输入、输出以及电源之间相互隔离,消除干扰

  • 技术参数
  • TECHNICAL PARAMETERS
  • image
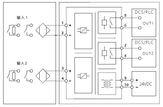
  • 接线图
  • WIRING DIAGRAM
  • image
    相关产品