• 温度变送型隔离器GT-6432(热电阻一进二出)
  • 温度变送型隔离器接收来自现场的热电阻信号输入
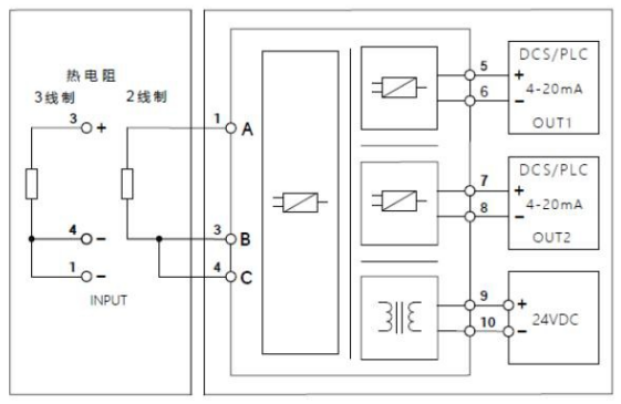
温度变送型隔离器接收来自现场的热电阻信号输入,输出信号按组态量程转换成 4-20mA 隔离传送到 PLC/DCS,具有冷端自动补偿功能,用户可在最大量程范围之内任意定制可支持的信号类型和量程。
分享到:
  • 产品详情
  • PRODUCT DETAILS
  • 温度变送型隔离器接收来自现场的热电阻信号输入,输出信号按组态量程转换成 4-20mA 隔离传送到 PLC/DCS,具有冷端自动补偿功能,用户可在最大量程范围之内任意定制可支持的信号类型和量程。

    产品特点

    l 采用PCB平面变压器

    l 性能稳定,转换精度高,低温漂

    l 12.5mm超薄设计,节省机柜空间

    l 低功耗设计,提高产品可靠性,延长使用寿命

    l 输入、输出以及电源之间相互隔离,消除干扰

  • 技术参数
  • TECHNICAL PARAMETERS
  • image
  • 接线图
  • WIRING DIAGRAM
  • image
    相关产品