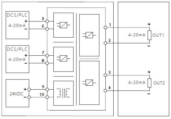
• 模拟量输出隔离器GT-6314(二进二出)
  • 模拟量输出隔离器将来自PLC/DCS控制系统的4-20mA信号或其它电流信号
模拟量输出隔离器将来自PLC/DCS控制系统的4-20mA信号或其它电流信号,经过隔离和线性化的处理传输到现场仪表,并驱动现场的阀门定位器,电/气转换等,同时支持数字信号传输(HART)。
分享到:
  • 产品详情
  • PRODUCT DETAILS
  • 模拟量输出隔离器将来自PLC/DCS控制系统的4-20mA信号或其它电流信号,经过隔离和线性化的处理传输到现场仪表,并驱动现场的阀门定位器,电/气转换等,同时支持数字信号传输(HART)。

    产品特点

    l 采用PCB平面变压器

    l 性能稳定,转换精度高,低温漂

    l 12.5mm超薄设计,节省机柜空间

    l 低功耗设计,提高产品可靠性,延长使用寿命

    l 输入、输出以及电源之间相互隔离,消除干扰

    l 支持HART传输

  • 技术参数
  • TECHNICAL PARAMETERS
  • image
  • 接线图
  • WIRING DIAGRAM
  • image
    相关产品